Product Summary
The XC3S4000-4FGG900C is a Field-Programmable Gate Array. It is specifically designed to meet the needs of high volume, cost-sensitive consumer electronic applications. The eight-member family offers densities ranging from 50,000 to five million system gates. The XC3S4000-4FGG900C builds on the success of the earlier Spartan-IIE family by increasing the amount of logic resources, the capacity of internal RAM, the total number of I/Os, and the overall level of performance as well as by improving clock management functions. Numerous enhancements derive from the Virtex-II platform technology. The XC3S4000-4FGG900C enhancements, combined with advanced process technology, deliver more functionality and bandwidth per dollar than was previously possible, setting new standards in the programmable logic industry.
Parametrics
XC3S4000-4FGG900C absolute maximum ratings: (1)VCCINT Internal supply voltage relative to GND: –0.5 to 1.32 V; (2)VCCAUX Auxiliary supply voltage relative to GND: –0.5 to 3.00 V; (3)VCCO Output driver supply voltage relative to GND: –0.5 to 3.75 V; (4)VREF Input reference voltage relative to GND: –0.5 to VCCO+0.5 V; (5)IIK Input clamp current per I/O pin: ±100 mA; (6)TJ Junction temperature: 125 ℃; (7)TSOL Soldering temperature: 220 ℃; (8)TSTG Storage temperature: –65 to 150 ℃.
Features
XC3S4000-4FGG900C features: (1)Low-cost, high-performance logic solution for high-volume, consumer-oriented applications; (2)SelectIO interface signaling; (3)Logic resources; (4)SelectRAM hierarchical memory; (5)Digital Clock Manager (up to four DCMs); (6)Eight global clock lines and abundant routing; (7)Pb-free packaging options.
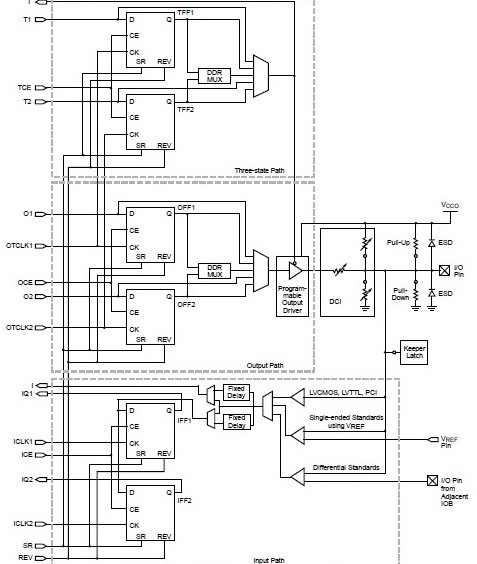
Diagrams

| Image | Part No | Mfg | Description | ![]() |
Pricing (USD) |
Quantity | ||||||||||
|---|---|---|---|---|---|---|---|---|---|---|---|---|---|---|---|---|
![]() |
![]() XC3S4000-4FGG900C |
![]() |
![]() SPARTAN-3A FPGA 4M STD 900-FBGA |
![]() Data Sheet |
![]()
|
|
||||||||||
| Image | Part No | Mfg | Description | ![]() |
Pricing (USD) |
Quantity | ||||||||||
![]() |
![]() XC3S1000 |
![]() Other |
![]() |
![]() Data Sheet |
![]() Negotiable |
|
||||||||||
![]() |
![]() XC3S1000-4FG456I |
![]() |
![]() IC FPGA SPARTAN 3 456FBGA |
![]() Data Sheet |
![]()
|
|
||||||||||
![]() |
![]() XC3S1000-4FG676I |
![]() |
![]() IC FPGA SPARTAN 3 676FBGA |
![]() Data Sheet |
![]()
|
|
||||||||||
![]() |
![]() XC3S1000-4FGG320C |
![]() |
![]() SPARTAN-3A FPGA 1M STD 320-FBGA |
![]() Data Sheet |
![]()
|
|
||||||||||
![]() |
![]() XC3S1000-4FGG320I |
![]() |
![]() IC SPARTAN-3A FPGA 1M 320-FBGA |
![]() Data Sheet |
![]()
|
|
||||||||||
![]() |
![]() XC3S1000-4FGG456C |
![]() |
![]() IC SPARTAN-3 FPGA 1M 456-FBGA |
![]() Data Sheet |
![]()
|
|
||||||||||
(China (Mainland))










