Product Summary
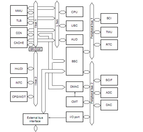
The HD6417706F133V is a 32-Bit RISC microprocessor that integrates a Renesas Technology-original RISC type SuperH architecture SH-3 CPU as its core that has peripheral functions required for system configuration. The HD6417706F133V incorporates a user debugging interface (H-UDI) and an advanced user debugger (AUD) to support emulator functions such as E10A. The HD6417706F133V also incorporates a serial communication interface, an A/D converter, a D/A converter, a timer, and a realtime clock that enable system configuration at low cost.
Parametrics
HD6417706F133V absolute maximum ratings: (1)Power supply voltage:–0.3 to +4.2 V; (2)Power supply voltage:–0.3 to +2.5 V; (3)Input voltage (except port J):–0.3 to VccQ + 0.3 V; (4)Input voltage (port J):–0.3 to AVcc + 0.3 V; (5)Analog power-supply voltage:–0.3 to 4.6 V; (6)Analog input voltage:–0.3 to AVcc + 0.3 V; (7)Operating temperature:–20℃ to +75℃; (8)Storage temperature:–55℃ to +125℃.
Features
HD6417706F133V features: (1)Original Renesas SuperH architecture; (2)Object code level compatible with SH-1, SH-2 and SH-3; (3)32-bit RISC-type instruction set; (4)Instruction length: 16-bit fixed length; (5)Improved code efficiency; (6)Load-store architecture; (7)Delayed branch instructions; (8)Instruction set oriented for C language; (9)Five-stage pipeline; (10)Instruction execution time: one instruction/cycle for basic instructions; (11)General-register: Sixteen 32-bit general registers; (12)Control-register: Eight 32-bit control registers; (13)System-register: Four 32-bit system registers; (14)32-bit internal data bus; (15)Logical address space: 4 Gbytes; (16)Space identifier ASID: 8 bits, 256 logical address space; (17)Memory Management Unit (MMU); (18)User Break Controller (UBC); (19)Bus state Controller (BSC); (20)Direct Memory Access Controller (DMAC); (21)Clock Pulse Generator (CPG); (22)Watchdog Timer (WDT); (23)Timer Unit (TMU); (24)Realtime Clock (RTC); (25)Serial Communication Interface (SCI); (26)Smartcard Interface; (27)Serial Communication Interface with FIFO (SCIF); (28)10-bit A/D converter (ADC); (29)8-bit D/A converter (DAC); (30)User Debugging Interface (H-UDI); (31)Advanced User Debugger (AUD).
Diagrams

| Image | Part No | Mfg | Description | ![]() |
Pricing (USD) |
Quantity | ||||||
|---|---|---|---|---|---|---|---|---|---|---|---|---|
![]() |
![]() HD6417706F133V |
![]() |
![]() MPU 3V 32K,PB-FREE 176-LQFP |
![]() Data Sheet |
![]()
|
|
||||||
| Image | Part No | Mfg | Description | ![]() |
Pricing (USD) |
Quantity | ||||||
![]() |
![]() HD6412240TE13 |
![]() |
![]() IC H8S MPU ROMLESS 100TQFP |
![]() Data Sheet |
![]() Negotiable |
|
||||||
![]() |
![]() HD6412322RVF25 |
![]() |
![]() IC H8S MCU ROMLESS 128-QFP |
![]() Data Sheet |
![]() Negotiable |
|
||||||
![]() |
![]() HD6412322RVFBL25 |
![]() |
![]() IC H8S MCU ROMLESS 128-QFP |
![]() Data Sheet |
![]() Negotiable |
|
||||||
![]() |
![]() HD6412332VFCBL25 |
![]() Renesas Technology America |
![]() IC H8S MCU ROMLESS 144-QFP |
![]() Data Sheet |
![]() Negotiable |
|
||||||
![]() |
![]() HD6412350F20 |
![]() |
![]() IC H8S MPU ROMLESS 5V 128QFP |
![]() Data Sheet |
![]() Negotiable |
|
||||||
![]() |
![]() HD6412350F20V |
![]() |
![]() IC H8S MPU ROMLESS 5V 128QFP |
![]() Data Sheet |
![]() Negotiable |
|
||||||
(China (Mainland))












