Product Summary
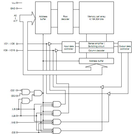
The UPD444012AGY-B55X is a high speed, low power, 4,194,304 bits (262,144 words by 16 bits) CMOS static RAM. The UPD444012AGY-B55X has two chip enable pins (/CE1, CE2) to extend the capacity.
Parametrics
UPD444012AGY-B55X absolute maximum ratings: (1)Supply voltage:–0.5V to +4.0V; (2)Input / Output voltage:–0.5V to VCC + 0.4V (4.0 V MAX.); (3)Operating ambient temperature:–25℃ to +85℃; (4)Storage temperature:–55℃ to +125℃.
Features
UPD444012AGY-B55X features: (1)262,144 words by 16 bits organization; (2)Fast access time: 50, 55, 70, 85, 100, 120 ns (MAX.); (3)Byte data control: /LB (I/O1 - I/O8), /UB (I/O9 - I/O16); (4)Low voltage operation (B version: VCC = 2.7 to 3.6 V, C version: VCC = 2.2 to 3.6 V); (5)Low VCC data retention: 1.0 V (MIN.); (6)Operating ambient temperature: TA = –25℃ to +85℃; (7)Output Enable input for easy application; (8)Two Chip Enable inputs: /CE1, CE2.
Diagrams

![]() |
![]() UPD42S16800L |
![]() Other |
![]() |
![]() Data Sheet |
![]() Negotiable |
|
||||
![]() |
![]() UPD431000A-X |
![]() Other |
![]() |
![]() Data Sheet |
![]() Negotiable |
|
||||
![]() |
![]() UPD4364CX-10 |
![]() Other |
![]() |
![]() Data Sheet |
![]() Negotiable |
|
||||
![]() |
![]() UPD441000L-X |
![]() Other |
![]() |
![]() Data Sheet |
![]() Negotiable |
|
||||
![]() |
![]() UPD4416001 |
![]() Other |
![]() |
![]() Data Sheet |
![]() Negotiable |
|
||||
![]() |
![]() UPD4416004 |
![]() Other |
![]() |
![]() Data Sheet |
![]() Negotiable |
|
||||
(China (Mainland))








