Product Summary
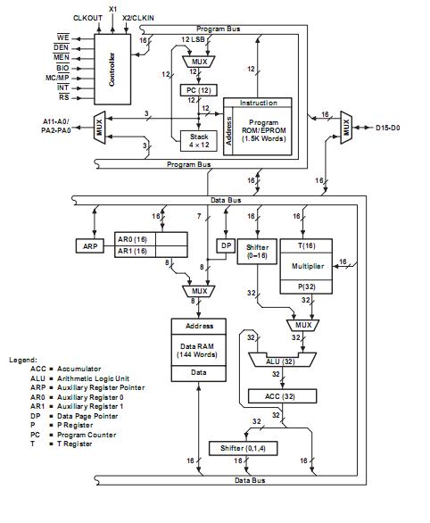
The TMS320E15JDL is a digital signal processor. The TMS320E15JDL combines the flexibility of a high-speed controller with the numerical capability of an array processor, thereby offering an inexpensive alternative to multichip bitslice processors. The TMS320E15JDL utilizes a modified Harvard architecture to optimize speed and flexibility, implementing functions in hardware that other processors implement through microcode or software.
Parametrics
TMS320E15JDL absolute maximum ratings: (1)Supply voltage range:–0.3 V to 7 V; (2)Input voltage range:–0.3 V to 7 V; (3)Output voltage range:–0.3 V to 7 V; (4)Continuous power dissipation:0.5 mW; (5)Operating free-air temperature: L suffix:0℃ to 70℃, A suffix:-40℃ to 85℃; (6)Storage temperature:–55℃ to 150℃.
Features
TMS320E15JDL features: (1)Performance Up to 8.77 MIPs; (2)144/256-Word On-Chip Data RAM; (3)1.5K/4K/8K-Word On-Chip Program ROM; (4)4K-Word On-Chip Program EPROM ; (5)One-Time Programmable (OTP); (6)EPROM Code Protection for Copyright Security; (7)4K / 64K-Word Total External Memory at Full Speed; (8)32-Bit ALU/Accumulator; (9)16 × 16-Bit Multiplier With a 32-Bit Product; (10)0 to 16-Bit Barrel Shifter; (11)Eight Input/Output Channels; (12)Dual-Channel Serial Port; (13)Simple Memory and I/O Interface; (14)Commercial and Military Versions Available; (15)Operating Free-Air Temperature:0℃ to 70℃; (16)Packaging: DIP, PLCC, Quad Flatpack, and CER-QUAD.
Diagrams

![]() |
![]() TMS3112 |
![]() Other |
![]() |
![]() Data Sheet |
![]() Negotiable |
|
||||
![]() |
![]() TMS3121 |
![]() Other |
![]() |
![]() Data Sheet |
![]() Negotiable |
|
||||
![]() |
![]() TMS320 |
![]() Other |
![]() |
![]() Data Sheet |
![]() Negotiable |
|
||||
![]() |
![]() TMS32010 |
![]() Other |
![]() |
![]() Data Sheet |
![]() Negotiable |
|
||||
![]() |
![]() TMS320AV7110 |
![]() Other |
![]() |
![]() Data Sheet |
![]() Negotiable |
|
||||
![]() |
![]() TMS320BC51PQ100 |
![]() Texas Instruments |
![]() Digital Signal Processors & Controllers (DSP, DSC) TMS320C51PQ - 132QFP - 100MHZ/BOOT CODE |
![]() Data Sheet |
![]() Negotiable |
|
||||
(China (Mainland))









