Product Summary
The SPLPL90 is a Standard Pulsed Laser Diode. Applications include Range finding, Security, surveillance, Illumination, ignition, Test and measurement systems.
Parametrics
SPLPL90 absolute maximum ratings: (1)Peak output power: 30W; (2)Forward current: 40A; (3)Pulse width (FWHM): 100ns; (4)Duty cycle: 0.1%; (5)Reverse voltage: 3V; (6)Operating temperature: -40~85℃; (7)Storage temperature: -40~100℃; (8)Soldering temperature: 260℃.
Features
SPLPL90 features: (1)Low cost plastic package; (2)Reliable strained InGaAs/GaAs material; (3)High power large-optical-cavity (LOC) structure for a narrow far-field; (4)Lateral laser aperture: 200μm.
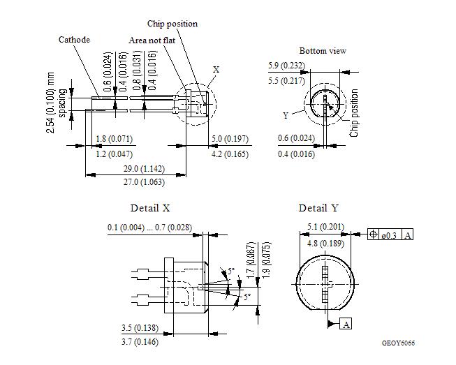
Diagrams

| Image | Part No | Mfg | Description | ![]() |
Pricing (USD) |
Quantity | ||||
|---|---|---|---|---|---|---|---|---|---|---|
![]() |
![]() SPLPL90 |
![]() Other |
![]() |
![]() Data Sheet |
![]() Negotiable |
|
||||
| Image | Part No | Mfg | Description | ![]() |
Pricing (USD) |
Quantity | ||||
![]() |
![]() SPLPL85 |
![]() Other |
![]() |
![]() Data Sheet |
![]() Negotiable |
|
||||
![]() |
![]() SPLPL90 |
![]() Other |
![]() |
![]() Data Sheet |
![]() Negotiable |
|
||||
(China (Mainland))









