Product Summary
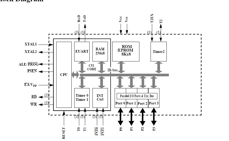
The TS80C32X2-MCA is high performance CMOS ROM, OTP, EPROM and ROMless versions of the 80C51 CMOS single chip 8-bit microcontroller. The TS80C52X2 retains all features of the TS80C32X2-MCA with extended ROM/EPROM capacity (8 Kbytes), 256 bytes of internal RAM, a 6-source , 4-level interrupt system, an on-chip oscilator and three timer/counters. In addition, the TS80C32X2-MCA has a dual data pointer, a more versatile serial channel that facilitates multiprocessor communication (EUART) and a X2 speed improvement mechanism. The TS80C32X2-MCA has 2 software-selectable modes of reduced activity for further reduction in power consumption. In the idle mode the CPU is frozen while the timers, the serial port and the interrupt system are still operating. In the power-down mode the RAM is saved and all other functions are inoperative.
Parametrics
TS80C32X2-MCA Absolute Maximum Ratings: (1)Ambiant Temperature Under Bias: C=commercial 0℃ to 70℃, I=industrial -40℃ to 85℃; (2)Storage Temperature: -65℃ to + 150℃; (3)Voltage on VCC to VSS: -0.5 V to + 7 V; (4)Voltage on VPP to VSS: -0.5 V to + 13 V; (5)Voltage on Any Pin to VSS: -0.5 V to VCC + 0.5 V; (6)Power Dissipation: 1 W.
Features
TS80C32X2-MCA features: (1)The X2 option.; (2)The Dual Data Pointer.; (3)The 4 level interrupt priority system.; (4)The power-off flag.; (5)The ONCE mode.; (6)The ALE disabling.; (7)Some enhanced features are also located in the UART and the timer 2.
Diagrams

| Image | Part No | Mfg | Description | ![]() |
Pricing (USD) |
Quantity | ||||
|---|---|---|---|---|---|---|---|---|---|---|
![]() |
![]() TS80C32X2-MCA |
![]() |
![]() IC MCU 8BIT 40/20MHZ 40-DIP |
![]() Data Sheet |
![]() Negotiable |
|
||||
| Image | Part No | Mfg | Description | ![]() |
Pricing (USD) |
Quantity | ||||
![]() |
![]() TS802C04 |
![]() Other |
![]() |
![]() Data Sheet |
![]() Negotiable |
|
||||
![]() |
![]() TS802C06 |
![]() Other |
![]() |
![]() Data Sheet |
![]() Negotiable |
|
||||
![]() |
![]() TS802C09 |
![]() Other |
![]() |
![]() Data Sheet |
![]() Negotiable |
|
||||
![]() |
![]() TS803 |
![]() Other |
![]() |
![]() Data Sheet |
![]() Negotiable |
|
||||
![]() |
![]() TS803R |
![]() Other |
![]() |
![]() Data Sheet |
![]() Negotiable |
|
||||
![]() |
![]() TS805C04 |
![]() Other |
![]() |
![]() Data Sheet |
![]() Negotiable |
|
||||
(China (Mainland))










