Product Summary
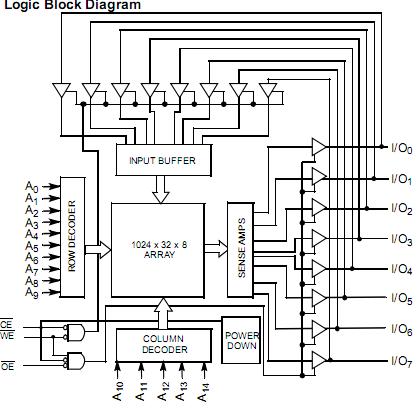
The CY7C199-35VI is a high-performance CMOS static RAM organized as 32,768 words by 8 bits. Easy memory expansion is provided by an active LOW Chip Enable (CE) and active LOW Output Enable (OE) and three-state drivers. The CY7C199-35VI has an automatic power-down feature, reducing the power consumption by 81% when deselected. The CY7C199-35VI is in the standard 300-mil-wide DIP, SOJ, and LCC packages.
Parametrics
CY7C199-35VI absolute maximum ratings: (1)Storage Temperature:–65℃ to +150℃; (2)Ambient Temperature with Power Applied:–55℃ to +125℃; (3)Supply Voltage to Ground Potential(Pin 28 to Pin 14):–0.5V to +7.0V; (4)DC Voltage Applied to Outputs in High-Z State:–0.5V to VCC + 0.5V; (5)DC Input Voltage:–0.5V to VCC + 0.5V; (6)Output Current into Outputs (LOW):20 mA; (7)Static Discharge Voltage: > 2001V(per MIL-STD-883, Method 3015); (8)Latch-up Current:> 200 mA.
Features
CY7C199-35VI features: (1)High speed:10 ns; (2)Fast tDOE; (3)CMOS for optimum speed/power; (4)Low active power:467 mW (max, 12 ns “L” version); (5)Low standby power:0.275 mW (max, “L” version); (6)2V data retention (“L” version only); (7)Easy memory expansion with CE and OE features; (8)TTL-compatible inputs and outputs; (9)Automatic power-down when deselected.
Diagrams

![]() |
![]() CY7C006 |
![]() Other |
![]() |
![]() Data Sheet |
![]() Negotiable |
|
||||||||||||
![]() |
![]() CY7C006A |
![]() Other |
![]() |
![]() Data Sheet |
![]() Negotiable |
|
||||||||||||
![]() |
![]() CY7C006A-15AXC |
![]() Cypress Semiconductor |
![]() SRAM 5V 16Kx8 COM Dual Port SRAM |
![]() Data Sheet |
![]() Negotiable |
|
||||||||||||
![]() |
![]() CY7C006A-15AXCT |
![]() Cypress Semiconductor |
![]() SRAM 5V 16Kx8 COM Dual Port SRAM |
![]() Data Sheet |
![]() Negotiable |
|
||||||||||||
![]() |
![]() CY7C006A-20AC |
![]() |
![]() IC SRAM 16KX8 DUAL 64LQFP |
![]() Data Sheet |
![]() Negotiable |
|
||||||||||||
![]() |
![]() CY7C006A-20AXC |
![]() Cypress Semiconductor |
![]() SRAM 5V 16Kx8 COM Dual Port SRAM |
![]() Data Sheet |
![]()
|
|
||||||||||||
(China (Mainland))










