Product Summary
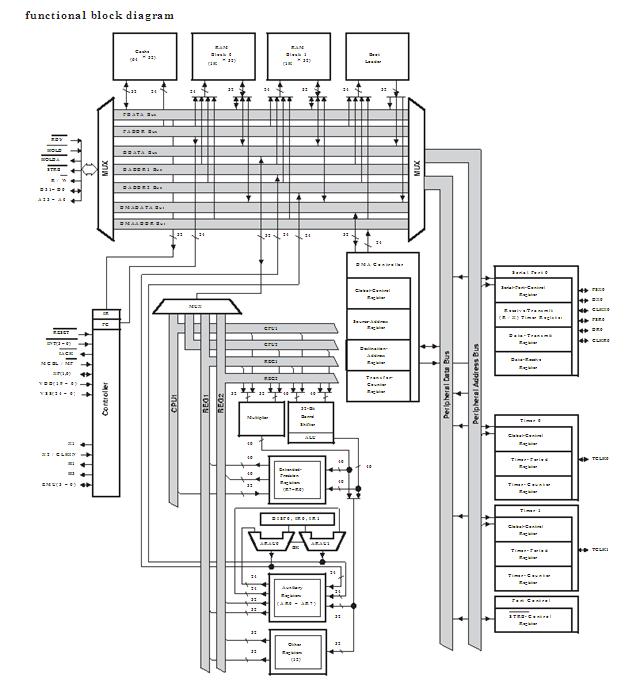
The TMS320C31PQL80 is a 32-bit, floating-point processor manufactured in 0.6µm triple-level-metal CMOS technology. The internal busing and special digital-signal-processing instruction set of the TMS320C31PQL80 have the speed and flexibility to execute up to 80 million floating-point operations per second (MFLOPS). The TMS320C31PQL80 optimizes speed by implementing functions in hardware that other processors implement through software ormicrocode. This hardware-intensive approach provides performance previously unavailable on a single chip.
Parametrics
TMS320C31PQL80 absolute maximum ratings: (1)Supply voltage range: -0.3 to 7V; (2)Input voltage range: -0.3 to 7V; (3)Output voltage range: -0.3 to 7V; (4)Continuous power dissipation: 2.6W; (5)Operating case temperature range-PQL: 0 to 85℃; (6)Operating case temperature range-PQA: -40 to 125℃; (7)Storage temperature range: -55 to 150℃.
Features
TMS320C31PQL80 features: (1)High-Performance Floating-Point Digital; (2)32-Bit High-Performance CPU; (3)32-Bit Instruction Word, 24-Bit Addresses; (4)Two 1K × 32-Bit Single-Cycle Dual-Access On-Chip RAM Blocks; (5)Boot-Program Loader; (6)On-Chip Memory-Mapped Peripherals; (7)132-Pin Plastic Quad Flat Package; (8)Eight Extended-Precision Registers; (9)Two Low-Power Modes; (10)Two- and Three-Operand Instructions; (11)Block-Repeat Capability.
Diagrams

| Image | Part No | Mfg | Description | ![]() |
Pricing (USD) |
Quantity | ||||
|---|---|---|---|---|---|---|---|---|---|---|
![]() |
![]() TMS320C31PQL80 |
![]() Texas Instruments |
![]() Digital Signal Processors & Controllers (DSP, DSC) 320C31 132 PIN PQFP 80MHZ |
![]() Data Sheet |
![]() Negotiable |
|
||||
| Image | Part No | Mfg | Description | ![]() |
Pricing (USD) |
Quantity | ||||
![]() |
![]() TMS3112 |
![]() Other |
![]() |
![]() Data Sheet |
![]() Negotiable |
|
||||
![]() |
![]() TMS3121 |
![]() Other |
![]() |
![]() Data Sheet |
![]() Negotiable |
|
||||
![]() |
![]() TMS320 |
![]() Other |
![]() |
![]() Data Sheet |
![]() Negotiable |
|
||||
![]() |
![]() TMS32010 |
![]() Other |
![]() |
![]() Data Sheet |
![]() Negotiable |
|
||||
![]() |
![]() TMS320AV7110 |
![]() Other |
![]() |
![]() Data Sheet |
![]() Negotiable |
|
||||
![]() |
![]() TMS320BC51PQ100 |
![]() Texas Instruments |
![]() Digital Signal Processors & Controllers (DSP, DSC) TMS320C51PQ - 132QFP - 100MHZ/BOOT CODE |
![]() Data Sheet |
![]() Negotiable |
|
||||
(China (Mainland))










