Product Summary
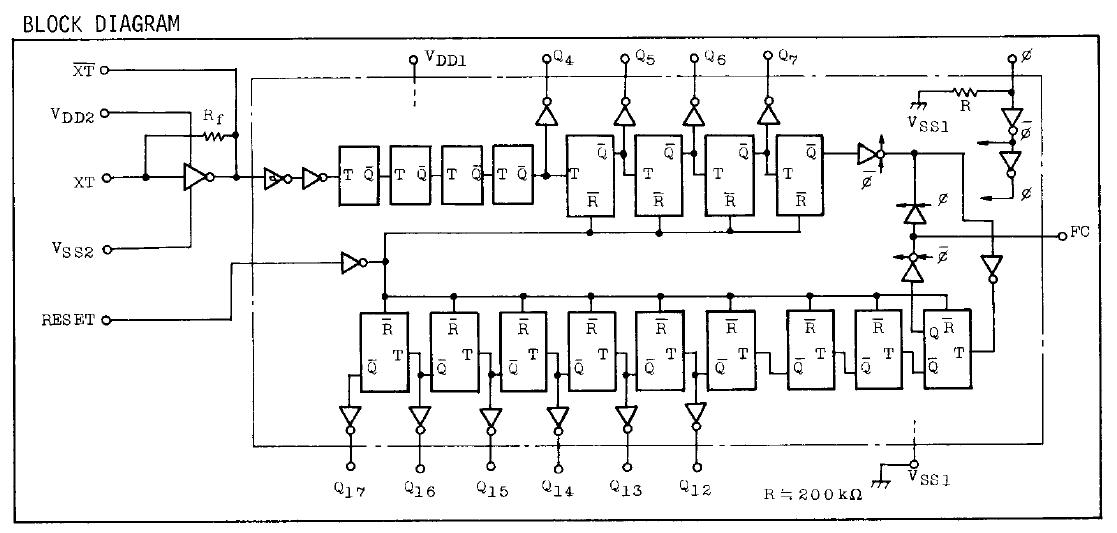
The TC5036P is a 17-stage ripple carry binary counter equipped with inverters for crystal oscillators. If Φ input is opened (Φ=HLH), the inverted output of 9th stage appears on FC terminal. If Φ input is set to "H", 9 stages from 9th stage through 17th stage can be also independently used having FC terminal as the clock input. Outputs can be derived arbitrarily from stages 4, 12, 13, 14, 15, 16 and 17 of TC5036P. The devicie is improved to have 50% duty Q4 output as same as others by changing the divider stage of TC5036P to static type counter.
Parametrics
TC5036P absolute maximum ratings: (1)DC supply voltage: VDD1 VSS1-0.5~VSS1+10V, VDD2 VSS1-0.5~VDD1+0.5V; (2)input voltage: XT VIN VSS1-0.5~VDD2+0.5V, FC VIN VSS1-0.5~VDD1+0.5V; (3)output voltage: VOUT: VSS-0.5~VDD1+0.5V; (4)Do input current IIN: ±10mA; (5)power dissipation: 300 mW; (6)storage temperature range Tstg: -65~150℃; (7)lead temp./time Tsol: 260℃·10 sec.
Features
TC5036P recommended operating conditions: (1)supply voltage VDD1: 3 to 8V, VDD2: 3 to VDD1V; (2)input voltage VIN: 0 to VDD1V; (3)operaing temp. Topr: -40 to 85℃.
Diagrams

![]() |
![]() TC500ACOE713 |
![]() Microchip Technology |
![]() Telecom Line Management ICs 16 Bit Analog Proces |
![]() Data Sheet |
![]()
|
|
||||||||||||
![]() |
![]() TC500AIJE |
![]() Microchip Technology |
![]() Telecom Line Management ICs 16 Bit Analog Proces |
![]() Data Sheet |
![]()
|
|
||||||||||||
![]() |
![]() TC500COE |
![]() Microchip Technology |
![]() Telecom Line Management ICs 16 Bit Analog Proces |
![]() Data Sheet |
![]()
|
|
||||||||||||
![]() |
![]() TC500IJE |
![]() Microchip Technology |
![]() Telecom Line Management ICs 16 Bit Analog Proces |
![]() Data Sheet |
![]() Negotiable |
|
||||||||||||
![]() |
![]() TC50BR2 |
![]() Panduit |
![]() Wire Ducting COVER - TMC50X50BR2 2 METER "L" |
![]() Data Sheet |
![]() Negotiable |
|
||||||||||||
![]() |
![]() TC5066BP |
![]() Other |
![]() |
![]() Data Sheet |
![]() Negotiable |
|
||||||||||||
(China (Mainland))









