Product Summary
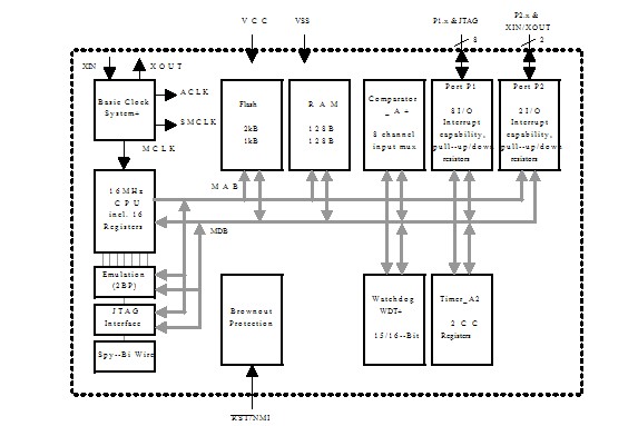
The MSP430F2012TPWR ultralow-power microcontroller consists of several devices featuringdifferent sets of peripherals targeted for various applications. The architecture, combined with five low-powermodes is optimized to achieve extended battery life in portable measurement applications. The device features a powerful 16-bit RISC CPU, 16-bit registers, and constant generators that contribute to maximum codeefficiency. The digitally controlled oscillator (DCO) allows wake-up from low-power modes to active mode in lessthan 1μs. The MSP430F2012TPWR is an ultralow-power mixed signal microcontroller with a built-in 16-bit timer, and tenI/O pins. Typical applications of MSP430F2012TPWR include sensor systems that capture analog signals, convert them to digital values, and thenprocess the data for display or for transmission to a host system. Stand alone RF sensor front end is anotherarea of application.
Parametrics
MSP430F2012TPWR absolute maximum ratings: (1)Voltage applied at VCC to VSS: 0.3 V to 4.1 V; (2)Voltage applied to any pin (see Note 2): 0.3 V to VCC+0.3 V; (3)Diode current at any device terminal: ±2mA; (4)Storage temperature (unprogrammed device, see Note 3): 55℃ to 150℃; (5)Storage temperature (programmed device, see Note 3): 40℃ to 85℃.
Features
MSP430F2012TPWR features: (1)Low Supply Voltage Range 1.8 V to 3.6 V; (2)Ultralow Power Consumption; (3)Five Power-Saving Modes; (4)Ultrafast Wake-Up From Standby Mode inLess Than 1 μs; (5)16-Bit RISC Architecture, 62.5 ns Instruction Cycle Time; (6)Universal Serial Interface (USI) Supporting SPI and I2C; (7)Brownout Detector; (8)Serial Onboard Programming,No External Programming Voltage Needed Programmable Code Protection by Security Fuse; (9)On-Chip Emulation Logic With Spy-Bi-Wire Interface.
Diagrams

| Image | Part No | Mfg | Description | ![]() |
Pricing (USD) |
Quantity | ||||||||||||
|---|---|---|---|---|---|---|---|---|---|---|---|---|---|---|---|---|---|---|
![]() |
![]() MSP430F2012TPWR |
![]() Texas Instruments |
![]() 16-bit Microcontrollers (MCU) 16-Bit Ultra Low Pwr 1kB Flash 2kB RAM |
![]() Data Sheet |
![]()
|
|
||||||||||||
| Image | Part No | Mfg | Description | ![]() |
Pricing (USD) |
Quantity | ||||||||||||
![]() |
![]() MSP4120 |
![]() Other |
![]() |
![]() Data Sheet |
![]() Negotiable |
|
||||||||||||
![]() |
![]() MSP4200 |
![]() Other |
![]() |
![]() Data Sheet |
![]() Negotiable |
|
||||||||||||
![]() |
![]() MSP430×11× |
![]() Other |
![]() |
![]() Data Sheet |
![]() Negotiable |
|
||||||||||||
![]() |
![]() MSP430×11×2 |
![]() Other |
![]() |
![]() Data Sheet |
![]() Negotiable |
|
||||||||||||
![]() |
![]() MSP430×12×2 |
![]() Other |
![]() |
![]() Data Sheet |
![]() Negotiable |
|
||||||||||||
![]() |
![]() MSP430×21×1 |
![]() Other |
![]() |
![]() Data Sheet |
![]() Negotiable |
|
||||||||||||
(China (Mainland))










